歐美晶振
-
貼片晶振 SMD Crystal -
石英晶振 Quartz crystal -
圓柱晶振 KHZ Crystal -
聲表面諧振器|濾波器 SAW Resonator -
陶瓷晶振 Ceramic Resonator -
陶瓷濾波器 Ceramic Filte -
陶瓷霧化片 Atomization piece -
NJR晶振 NJR CRYSTAL -
日本大真空晶振 KDS crystal -
愛普生石英晶振 EPSON Crystal -
西鐵城晶體 CITIZEN Crystal -
精工晶體 SEIKO Crystal -
村田陶瓷諧振器 muRata Crystal -
京瓷貼片晶振 -
NDK石英晶振 NDK CRYSTAL -
CTS晶振 CTS石英晶振 -
大河晶振 日本大河晶體 -
TXC石英晶振 臺灣晶技 -
泰藝石英晶振 泰藝SMD晶體 -
鴻星貼片晶振 HOSONIC -
加高石英晶振 加高石英晶體諧振器 -
臺灣亞陶晶振 亞陶石英晶振 -
NAKA晶振 NAKA晶振 -
SMI晶振 -
AKER晶振 AKER晶振 -
NKG晶振 NKG CRYSTAL -
ABRACON晶振 艾博康晶振 -
VECTRON晶振 維管晶振 -
JAUCH晶振 JAUCH CRYSTAL -
ConnorWinfield晶振 康納溫菲爾德晶振 -
Rakon晶振 瑞康晶振 -
ECS晶振 伊西斯晶振 -
CTS晶振 西迪斯晶振 -
GREENRAY晶振 格林雷晶振 -
ECLIPTEK晶振 日蝕晶振 -
GOLLEDGE晶振 高利奇晶振 -
STATEK晶振 斯塔克晶振 -
Pletronics晶振 普銳特晶振 -
SITIME晶振 可編程晶振 -
Microcrystal晶振 瑞士微晶晶振 -
DIODES晶振 百利通亞陶晶振 -
RALTRON晶振 拉隆晶振 -
AEK晶振 安克晶振 -
AEL晶振 艾爾晶振 -
ILSI晶振 艾爾西晶振 -
FOX晶振 ??怂咕д?/strong> -
fujicom晶振 富士通晶振 -
CRYSTEK晶振 瑞斯克晶振 -
Geyer晶振 格耶電子 -
quartzcom晶振 康泰克晶振 -
EUROQUARTZ晶振 歐洲石英晶振 -
quarztechnik晶振 夸克晶振 -
Cardinal晶振 卡迪納爾晶振 -
FRE-TECH晶振 弗萊特晶振 -
KVG晶振 KVG CRYSTAL -
wi2wi晶振 威爾威晶振 -
Transko晶振 特蘭斯科晶振 -
suntsu晶振 松圖晶振 -
mmdcomp晶振 麥迪康晶振 -
MERCURY晶振 瑪居禮晶振 -
MTRONPTI晶振 麥特倫皮晶振 -
qantek晶振 qantek晶振 -
IDT晶振 IDT CRYSTAL -
ACT CRYSTAL ACT CRYSTAL -
mti-milliren crystal -
Lihom晶振 Lihom晶振 -
Rubyquartz晶振 -
OSCILENT晶振 OSCILENT晶振 -
ITTI晶振 -
Shinsung晶振 -
CTECH晶振 -
IQD晶振 IQD CRYSTAL -
Microchip晶振 Microchip CRYSTAL -
Silicon晶振 Silicon CRYSTAL -
Fortiming晶振 Fortiming CRYSTAL -
CORE晶振 CORE CRYSTAL -
NIPPON晶振 Nippon Crystal -
NIC晶振 NIC CRYSTAL -
QVS晶振 QVS OSCILLATOR -
Bomar晶振 Bomar Crystal -
Bliley晶振 BlileyCrystal -
GED晶振 GED CRYSTAL -
FILTRONETICS晶振 FILTRONETICS CRYSTAL -
Standard晶振 StandardCrystal -
Q-Tech晶振 Q-Tech CRYSTAL -
Anderson晶振 Anderson crystal -
Wenzel晶振 WENZEL CRYSTAL -
NEL晶振 NEL CRYSTAL -
EMResearch晶振 EMResearch Crystal -
PETERMANN晶振 PETERMANN CRYSTAL -
FCD-Tech晶振 FCD-Tech Crystal -
HEC晶振 HEC crystal -
FMI晶振 FMI crystal -
AXTAL晶振 AXTAL crystal -
SUNNY晶振 SUNNY CRYSTAL -
ARGO晶振 ARGO晶振公司是專業提供和設計波段頻率控制設備和微波無線通信零部件.我們還分銷日本,歐洲和美國的一些知名品牌零部件.我們致力于發展與計算機,IT和無線通信公司無任何界限的信息時代.我們秉承經營者的踏實,誠懇的態度,互惠互利的精神,實現共贏的目標,以誠信為本,誠信為本,公平交易為宗旨,以誠信,勤勉,誠信,精神質量第一,客戶滿意的經營理念,將以優良的產品質量,優惠的價格,優質的服務與您建立長期穩定的合作關系,共創輝煌事業.

SITIME晶振,貼片晶振,SiT1533晶振,SiTime石英晶振,貼片晶振,石英晶體振蕩器在100多個應用程序中被超過1000個客戶使用.我們的最大容量設計是在網絡、消費者、計算和存儲部分.2011年,我們開始為電信、無線和工業應用提供產品.SiTime于2013年進入智能手機市場,推出了首個移動電話MEMS振蕩器,目前在可穿戴設備和物聯網應用領域正在迅速發展.
SiTime晶振集團的技術創新歷史:
通過一個全新的全硅平臺,SiTime晶振有一個卓越的歷史成就業界第一.我們快速的技術突破是通過利用硅技術的優勢和幾十年的MEMS共振經驗和內部模擬技術來實現的.
泰河電子為你介紹硅的固有性能優勢
隨著摩爾定律的發展,SiTime晶體振蕩器的硅MEMS時序產品具有半導體行業的性能軌跡.由于硅工藝和設計技術的快速發展,硅MEMS計時裝置的性能繼續迅速改善,并超過了基于石英的定時裝置的性能.硅制造技術生產具有亞微米特征和納米精度的設備.MEMS諧振器是在硅晶圓中制造的,它的改進是由更精細的幾何圖形制成的.由于SiTime石英晶體振蕩器的體積相較于普通石英晶振,石英晶體要大,頻率范圍較廣,晶體振蕩器電源電壓更多選擇,性能佳,相位噪音較低.

具有最適合于移動通信設備用途的高穩定的頻率溫度特性.為對應低電源電壓的產品.(可對應DC +1.8 V±0.1 V to +3.2 V±0.1 V )高度:最高1.0 mm,體積:0.007 cm3,重量:0.024g,超小型,輕型.低消耗電流,表面貼片型產品.(可對應回流焊) 無鉛產品.滿足無鉛焊接的回流溫度曲線要求.目前的VC-TCXO晶振采用了離子刻蝕調頻技術:比目前一般使用的真空蒸鍍方式調頻,主要在產品參數有以下提升:1.微調后調整頻率能控制在±2ppm,一般只能保持在±5ppm;2.產品的激勵功率相關性參數有大幅提升;3.產品的長期老化率可保證在±2ppm之內
| SITIME晶振規格 | 單位 | SiT1533晶振 | 石英晶振基本條件 |
| 標準頻率 | f_nom | 32.768 kHz | 標準頻率 |
| 儲存溫度 | T_stg | -40°C- 85°C | 裸存 |
| 工作溫度 | T_use | -10°C - +70°C | 標準溫度 |
| 激勵功率 | DL | 1.4μW Max. | 推薦:1μW ~ 100μW |
| 頻率公差 | f_— l |
±75 × 10-6 (標準), (±20× 10-6 ~ ± 250× 10-6 可用) |
+25°C 對于超出標準的規格說明, 請聯系我們以便獲取相關的信息,http://m.0769zd.cn |
| 頻率溫度特征 | f_tem | ±20 × 10-6/25°C | 超出標準的規格請聯系我們. |
| 負載電容 | CL | 20PF | 不同負載電容要求,請聯系我們. |
| 串聯電阻(ESR) | R1 | 如下表所示 | -40°C — +85°C, DL = 100μW |
| 頻率老化 | f_age | ±1 × 10-6 / year Max. | +25°C,第一年 |
.jpg)

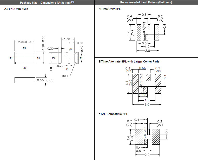
2.0*1.2千赫晶體振蕩器和鹵化合物
請勿在鹵素氣體環境下使用產品。即使少量的鹵素氣體,比如在空氣中的氯氣內或封裝所用金屬部件內,都可能產生腐蝕。同時,請勿使用任何會釋放出鹵素氣體的樹脂。
靜電
過高的靜電可能會損壞產品,請注意抗靜電條件。請為容器和封裝材料選擇導電材料。在處理的時候,請使用電焊槍和無高電壓泄漏的測量電路,并進行接地操作。
在設計時,SITIME晶振,貼片晶振,SiT1533晶振
機械振動的影響
當無線專用OSC晶體振蕩器產品上存在任何給定沖擊或受到周期性機械振動時,比如:壓電揚聲器,壓電蜂鳴器,以及喇叭等,輸出頻率和幅度會受到影響。這種現象對通信器材通信質量有影響。盡管晶體產品設計可最小化這種機械振動的影響,我們推薦事先檢查并按照下列安裝指南進行操作。
PCB設計指導
(1) 理想情況下,機械蜂鳴器應安裝在一個獨立于晶體器件的PCB板上。如果您安裝在同一個PCB板上,最好使用余量或切割PCB。當應用于PCB板本身或PCB板體內部時,機械振動程度有所不同。建議遵照內部板體特性。
(2) 在設計時請參考相應的推薦封裝。
(3) 在使用焊料助焊劑時,按JIS標準(JIS C 60068-2-20/IEC 60,068-2-20).來使用。
(4) 請按JIS標準(JIS Z 3282, Pb 含量 1000ppm, 0.1wt% 或更少)來使用無鉛焊料。
.jpg)
質量政策
SiTime 2012有源晶振完全符合ISO14001環境管理體系國際標準的要求,體現了一個適合、三個承諾和一個框架:
建造美麗家園——適合于我公司的生產活動、產品以及服務過程的性質.規模與環境影響;
持續改進——持續改進環境績效和環境管理體系的承諾;
減少石英晶振晶體材料污染,節能降耗——污染預防的承諾;SITIME晶振,貼片晶振,SiT1533晶振
依法治理——遵守現行適用的環境法律、法規和其他要求的承諾;
“減少污染,節能降耗,建造美麗家園;依法治理,持續改進,凈化一片藍天”提供了建立和評審環境目標和指標的框架.
SiTime平板電腦晶振采用系統的方法來解決其產品的環境影響
開發和銷售擁有最有利的環境特性同時又滿足最高可能功效標準的晶振,石英晶振,有源晶振,壓控振蕩器,溫補晶體振蕩器(TCXO)、恒溫晶體振蕩器(OCXO)等產品
采用對環境盡可能健康的生產工藝
在普通SMD晶振,陶瓷振動子,32.768K,時鐘晶體,壓電石英晶體系列產品開發和制造過程中使用對環境健康的、可回收利用的材料
為開發高效的、對環境影響最小的運輸系統而工作
無論公司在世界何處,其經營都應保證生產過程和產品符合同等的環境標準
確保業務合作伙伴對環境問題同等關注
從事并參與環境領域的研究和開發活動
以公開和客觀的方式提供有關其環境影響的信息
SiTime晶振集團將建立可行的技術及經濟性環境目標,并確保其環境保護活動的質量.
集團公司將關注所有環境適用的法律、法規和協議的遵守情況.另外為更有效的進行環境保護,將建立自己的特有的環境標準.
集團將在各領域內的商務運作中實施持續改進,包括能源資源的保持,回收再利用以及減少晶振,石英晶振, 石英水晶振蕩子材料廢棄物等.
保持就健康安全環境問題與臨近攝取進行對話.通過在環境控制方面實施優秀的管理實踐,以保護環境和與強生公司全球運作相關的自然資源.向員工灌輸環境價值觀,在所有的KHZ千赫有源晶振,石英晶體諧振器等產品生產過程中應用最佳環境實用技術,為全球可持續發展做出貢獻.

1.技術支持 2.客服咨詢
全方位技術指導,專業的技術支持讓您感受 專業的銷售團隊,耐心為您解答任
到前所未有的后顧無憂. 何疑問.讓您的消費得到保障。
3.質量保證,誠信為上 4.提升業績,降低成本
我司以"科技為動力,以質量求生存."為理念. 為您的產品量身訂制,免費取樣,
為您做到低成本,高效率.
工作時間
1,我公司早上上班時間為8:30——12:00。下午上班時間為1:30——5:30。歡迎隨時咨詢我們,業務員手機都是24小時開機的哦!
2,珠三角地區的客戶統一發信豐快遞。如您有指定的快遞公司,請提前和業務員溝通。廣東省外的客戶統一發安全便捷快速的順豐快遞.

深 圳 市 泰 河 電 子 有 限 公 司
代理:EPSON,KDS,CITIZEN,SEIKO
電話:0755-27872782
手機:13824306246
郵箱:taiheth@163.com
Q Q:794113422
地址:深圳市寶安區40區33號工業城6樓
網址:http://m.0769zd.cn
溫馨提示:泰河電子已正式開通微信公眾號,大家可以關注訂閱我司的微信公眾號,每天都會更新新的資料,及進口晶振原包裝圖.與官網同步,將可以第一時間與大家溝通!歡迎掃碼關注!










