如何選擇遙遙領先的SI51X XOS VCXOS系列晶振
來源:http://m.0769zd.cn 作者:泰河盛電子 2023年09月19
本應用說明提供了將輸出時鐘信號連接到Si51x系列XO和VCXO ic的終止建議,不適用于任何其他Skyworks解決方案設備。Si51x系列的任意頻率XOs, VCXOs大大簡化了當今許多常見信號類型之間的接口任務。輸出兼容單端CMOS或差分信號(LVPECL、LVDS、HCSL),支持3.3 V、2.5 V、1.8 V多個電壓等級。器件框圖如圖所示。Si510和Si511為單頻xo,輸出使能。Si512和Si513是帶輸出使能的雙頻xo。Si514是一種使用I2C控制的頻率可編程器件。Si515和Si516是VCXOs,具有輸出使能(Si515)或雙頻(Si516)


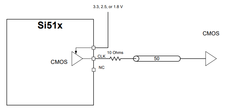
可以訂購Si51x器件,以提供差分或單端(CMOS)輸出。當配置為差分CMOS時,驅動器產生兩個信號,可以配置為同相或互補。輸出格式由訂貨部件類型決定,可以是以下信號類型之一:CMOS、LVPECL、LVDS和HCSL。CMOS輸出驅動器的輸出阻抗約為40。因此,外部Rs串聯電阻為10,為具有50走線的電路板提供最佳端接,如圖所示。如果電路板走線阻抗大于50,則Rs的值應為10加上電路板走線阻抗與50的差值。圖中分別顯示了單、雙同相和雙互補CMOS輸出的示波器波形。


LVPECL驅動程序可以訂購為3.3或2.5 V標準LVPECL模式。輸出驅動器可以是交流耦合或直流耦合到接收器。標準的LVPECL驅動程序支持兩種常用的直流耦合配置。LVPECL驅動器被設計為以50至VDD-2 V終止,如圖所示。VTT可以用一個簡單的分壓器供電,如圖所示。圖中顯示了終止LVPECL的另一種方法,該方法與圖中的終止等效。它提供50個終止到VDD-2.0 V的負載。對于3.3 V LVPECL,使用R1 = 127、R2 = 82.5;對于2.5 V LVPECL,使用R1 = 250 220v 220v, R2 = 62.5 220v。這種類型的終端的唯一缺點是,Thevenin電路消耗額外的功率從VDD電源。圖顯示了3.3 V LVPECL輸出直流耦合50 V到VDD-2.0 V的示波器波形,使用Thevenin等效端接。




LVPECL驅動程序可以訂購為3.3或2.5 V標準LVPECL模式。輸出驅動器可以是交流耦合或直流耦合到接收器。標準的LVPECL驅動程序支持兩種常用的直流耦合配置。LVPECL驅動器被設計為以50至VDD-2 V終止,如圖所示。VTT可以用一個簡單的分壓器供電,如圖所示。圖中顯示了終止LVPECL的另一種方法,該方法與圖中的終止等效。它提供50個終止到VDD-2.0 V的負載。對于3.3 V LVPECL,使用R1 = 127、R2 = 82.5;對于2.5 V LVPECL,使用R1 = 250 220v 220v, R2 = 62.5 220v。這種類型的終端的唯一缺點是,Thevenin電路消耗額外的功率從VDD電源。圖顯示了3.3 V LVPECL輸出直流耦合50 V到VDD-2.0 V的示波器波形,使用Thevenin等效端接。


| Skywork原廠編碼 | 生產商 | 型號 | 類型 | 頻率 | 輸出 | 電源電壓 | 頻率穩定度 |
| 510KBA25M0000BAGR | Skyworks晶振 | Si510 | XO | 25 MHz | CMOS | 1.8V | ±25ppm |
| 510ABA148M500BAGR | Skyworks晶振 | Si510 | XO | 148.5 MHz | LVPECL | 3.3V | ±25ppm |
| 510BBA156M250BAGR | Skyworks晶振 | Si510 | XO | 156.25 MHz | LVDS | 3.3V | ±25ppm |
| 510BBA125M000AAGR | Skyworks晶振 | Si510 | XO | 125 MHz | LVDS | 3.3V | ±25ppm |
| 510BBA156M250AAGR | Skyworks晶振 | Si510 | XO | 156.25 MHz | LVDS | 3.3V | ±25ppm |
| 510MCA50M0000AAGR | Skyworks晶振 | Si510 | XO | 50 MHz | CMOS | 3.3V | ±20ppm |
| 510KBA100M000BAG | Skyworks晶振 | Si510 | XO | 100 MHz | CMOS | 1.8V | ±25ppm |
| 510BBA125M000BAG | Skyworks晶振 | Si510 | XO | 125 MHz | LVDS | 3.3V | ±25ppm |
| 510BBA100M000BAG | Skyworks晶振 | Si510 | XO | 100 MHz | LVDS | 3.3V | ±25ppm |
| 510FBA125M000BAG | Skyworks晶振 | Si510 | XO | 125 MHz | LVDS | 2.5V | ±25ppm |
| 510KCA125M000BAG | Skyworks晶振 | Si510 | XO | 125 MHz | CMOS | 1.8V | ±20ppm |
| 510BBA200M000BAG | Skyworks晶振 | Si510 | XO | 200 MHz | LVDS | 3.3V | ±25ppm |
| 510CBA25M0000BAGR | Skyworks晶振 | Si510 | XO | 25 MHz | CMOS | 3.3V | ±25ppm |
| 510CBA100M000BAGR | Skyworks晶振 | Si510 | XO | 100 MHz | CMOS | 3.3V | ±25ppm |
| 510CBA125M000BAGR | Skyworks晶振 | Si510 | XO | 125 MHz | CMOS | 3.3V | ±25ppm |
| 510CBA100M000AAGR | Skyworks晶振 | Si510 | XO | 100 MHz | CMOS | 3.3V | ±25ppm |
| 510GBA25M0000BAG | Skyworks晶振 | Si510 | XO | 25 MHz | CMOS | 2.5V | ±25ppm |
| 510KBA125M000BAGR | Skyworks晶振 | Si510 | XO | 125 MHz | CMOS | 1.8V | ±25ppm |
| 510KBA28M6363BAG | Skyworks晶振 | Si510 | XO | 28.6363 MHz | CMOS | 1.8V | ±25ppm |
| 510KCA25M0000BAG | Skyworks晶振 | Si510 | XO | 25 MHz | CMOS | 1.8V | ±20ppm |
| 510KCB25M0000BAG | Skyworks晶振 | Si510 | XO | 25 MHz | CMOS | 1.8V | ±20ppm |
| 510CCA25M0000BAG | Skyworks晶振 | Si510 | XO | 25 MHz | CMOS | 3.3V | ±20ppm |
| 510CCA100M000BAG | Skyworks晶振 | Si510 | XO | 100 MHz | CMOS | 3.3V | ±20ppm |
| 510CBA50M0000AAG | Skyworks晶振 | Si510 | XO | 50 MHz | CMOS | 3.3V | ±25ppm |
| 510BBA156M250AAG | Skyworks晶振 | Si510 | XO | 156.25 MHz | LVDS | 3.3V | ±25ppm |
| 510ABA156M250AAG | Skyworks晶振 | Si510 | XO | 156.25 MHz | LVPECL | 3.3V | ±25ppm |
| 510CCA25M0000AAG | Skyworks晶振 | Si510 | XO | 25 MHz | CMOS | 3.3V | ±20ppm |
| 510DBA100M000BAG | Skyworks晶振 | Si510 | XO | 100 MHz | HCSL | 3.3V | ±25ppm |
| 510BBA200M000AAG | Skyworks晶振 | Si510 | XO | 200 MHz | LVDS | 3.3V | ±25ppm |
| 510ABA212M500AAG | Skyworks晶振 | Si510 | XO | 212.5 MHz | LVPECL | 3.3V | ±25ppm |
| 510FBA200M000AAG | Skyworks晶振 | Si510 | XO | 200 MHz | LVDS | 2.5V | ±25ppm |
| 510BAA133M333BAG | Skyworks晶振 | Si510 | XO | 133.333 MHz | LVDS | 3.3V | ±50ppm |
| 510DCA100M000AAG | Skyworks晶振 | Si510 | XO | 100 MHz | HCSL | 3.3V | ±20ppm |
| 510CBA125M000AAGR | Skyworks晶振 | Si510 | XO | 125 MHz | CMOS | 3.3V | ±25ppm |
| 510GBA100M000BAG | Skyworks晶振 | Si510 | XO | 100 MHz | CMOS | 2.5V | ±25ppm |
| 510CBA25M0000AAG | Skyworks晶振 | Si510 | XO | 25 MHz | CMOS | 3.3V | ±25ppm |
| 510KCA25M0000BAGR | Skyworks晶振 | Si510 | XO | 25 MHz | CMOS | 1.8V | ±20ppm |
| 510FBA200M000AAGR | Skyworks晶振 | Si510 | XO | 200 MHz | LVDS | 2.5V | ±25ppm |
| 510KBA25M0000BAG | Skyworks晶振 | Si510 | XO | 25 MHz | CMOS | 1.8V | ±25ppm |
| 510BBA106M250BAG | Skyworks晶振 | Si510 | XO | 106.25 MHz | LVDS | 3.3V | ±25ppm |
| 510FBA74M2500BAG | Skyworks晶振 | Si510 | XO | 74.25 MHz | LVDS | 2.5V | ±25ppm |
| 510BBA74M2500BAG | Skyworks晶振 | Si510 | XO | 74.25 MHz | LVDS | 3.3V | ±25ppm |
| 510KCA100M000BAG | Skyworks晶振 | Si510 | XO | 100 MHz | CMOS | 1.8V | ±20ppm |
| 510FBA156M250AAG | Skyworks晶振 | Si510 | XO | 156.25 MHz | LVDS | 2.5V | ±25ppm |
| 510ABA155M520AAG | Skyworks晶振 | Si510 | XO | 155.52 MHz | LVPECL | 3.3V | ±25ppm |
| 510FBA74M2500AAG | Skyworks晶振 | Si510 | XO | 74.25 MHz | LVDS | 2.5V | ±25ppm |
| 510ABA200M000BAG | Skyworks晶振 | Si510 | XO | 200 MHz | LVPECL | 3.3V | ±25ppm |
| 510BBA150M000BAG | Skyworks晶振 | Si510 | XO | 150 MHz | LVDS | 3.3V | ±25ppm |
| 510BBA156M250BAG | Skyworks晶振 | Si510 | XO | 156.25 MHz | LVDS | 3.3V | ±25ppm |
| 510EBA125M000AAG | Skyworks晶振 | Si510 | XO | 125 MHz | LVPECL | 2.5V | ±25ppm |
| 510GBA50M0000BAGR | Skyworks晶振 | Si510 | XO | 50 MHz | CMOS | 2.5V | ±25ppm |
| 510CBA100M000AAG | Skyworks晶振 | Si510 | XO | 100 MHz | CMOS | 3.3V | ±25ppm |
| 510ABA106M250BAG | Skyworks晶振 | Si510 | XO | 106.25 MHz | LVPECL | 3.3V | ±25ppm |
| 510KAA24M0000AAG | Skyworks晶振 | Si510 | XO | 24 MHz | CMOS | 1.8V | ±50ppm |
| 510BBA000110AAG | Skyworks晶振 | Si510 | XO | 148.35165 MHz | LVDS | 3.3V | ±25ppm |
| 510ABA125M000AAG | Skyworks晶振 | Si510 | XO | 125 MHz | LVPECL | 3.3V | ±25ppm |
| 510BCA148M500BAG | Skyworks晶振 | Si510 | XO | 148.5 MHz | LVDS | 3.3V | ±20ppm |
| 510CCA125M000AAG | Skyworks晶振 | Si510 | XO | 125 MHz | CMOS | 3.3V | ±20ppm |
| 510ACA25M0000BAG | Skyworks晶振 | Si510 | XO | 25 MHz | LVPECL | 3.3V | ±20ppm |
| 510BBA156M000BAG | Skyworks晶振 | Si510 | XO | 156 MHz | LVDS | 3.3V | ±25ppm |
| 510ACA47M2500AAG | Skyworks晶振 | Si510 | XO | 47.25 MHz | LVPECL | 3.3V | ±20ppm |
| 510CBA156M250BAGR | Skyworks晶振 | Si510 | XO | 156.25 MHz | CMOS | 3.3V | ±25ppm |
| 510GBA25M0000BAGR | Skyworks晶振 | Si510 | XO | 25 MHz | CMOS | 2.5V | ±25ppm |
| 510CBA33M3333CAGR | Skyworks晶振 | Si510 | XO | 33.3333 MHz | CMOS | 3.3V | ±25ppm |
| 510KCA156M250AAGR | Skyworks晶振 | Si510 | XO | 156.25 MHz | CMOS | 1.8V | ±20ppm |
| 510JCA96M0000BAGR | Skyworks晶振 | Si510 | XO | 96 MHz | LVDS | 1.8V | ±20ppm |
| 510CBA50M0000BAGR | Skyworks晶振 | Si510 | XO | 50 MHz | CMOS | 3.3V | ±25ppm |
| 510BBA106M250BAGR | Skyworks晶振 | Si510 | XO | 106.25 MHz | LVDS | 3.3V | ±25ppm |
| 510KCA125M000BAGR | Skyworks晶振 | Si510 | XO | 125 MHz | CMOS | 1.8V | ±20ppm |
| 510KCA100M000BAGR | Skyworks晶振 | Si510 | XO | 100 MHz | CMOS | 1.8V | ±20ppm |
| 510CCB19M2000BAG | Skyworks晶振 | Si510 | XO | 19.2 MHz | CMOS | 3.3V | ±20ppm |
| 510KCAM200000BAG | Skyworks晶振 | Si510 | XO | 200 kHz | CMOS | 1.8V | ±20ppm |
| 510GBA80M0000AAG | Skyworks晶振 | Si510 | XO | 80 MHz | CMOS | 2.5V | ±25ppm |
| 510BBA100M000AAGR | Skyworks晶振 | Si510 | XO | 100 MHz | LVDS | 3.3V | ±25ppm |
| 510MBB50M0000BAG | Skyworks晶振 | Si510 | XO | 50 MHz | CMOS | 3.3V |
±25ppm |
正在載入評論數據...
相關資訊
- [2024-05-22]Statek低頻振蕩器CXOLP4SNSM4-8...
- [2024-03-08]32.768KHz振蕩器比普通音叉晶振...
- [2023-10-19]美國ITTI晶振發表對石英晶體和振...
- [2023-10-19]ITTI晶振揭秘CRYSTAL DEVELOPME...
- [2023-10-17]ITTIA晶振是石英行業令人興奮的...
- [2023-09-28]Crystek最新的CVCO33BE-2352-24...
- [2023-09-26]領先全球的Hosonic晶振品牌介紹...
- [2023-09-23]遙遙領先的思佳訊電子采用第四代...


